Cheese whey, once considered “waste” from cheese making, is now a highly sought-after commodity with a significant share of the dairy ingredients market. Through innovations in technology and food science, whey has evolved into an income-producing ingredient for the dairy industry. Technology is again poised to further increase market value for whey proteins through texturization processing and creation of textured co-products.
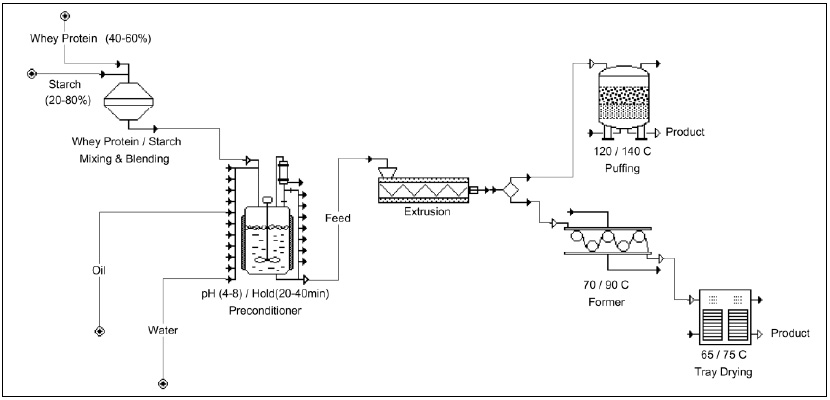
Texturization is the process of creating structure and texture in bio…



